Erste Seite Zurück Weiter Letzte Seite

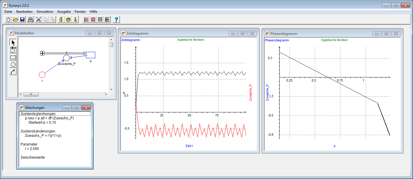
logistische Iteration r = 2,566